業(yè)務動態(tài)
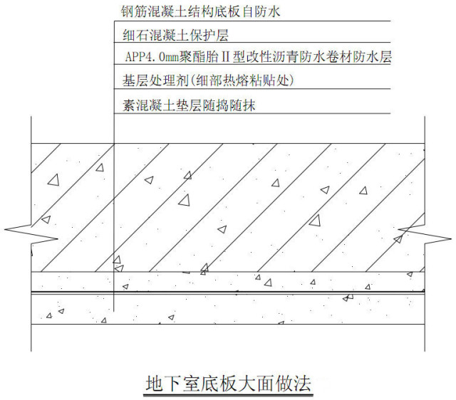
▌一、地下室底板防水做法示意圖
1. 底板變形縫防水做法

2. 底板后澆帶防水構(gòu)造做法

3. 高低跨連接處防水做法

4. 樁頭防水處理
采用水泥基滲透結(jié)晶型防水涂料 +改性瀝青防水涂料 +卷材的復合防水做法。:
[防水處理工序如下]:
1. 由總承包方鑿出樁頭至設計標高位置,調(diào)整受力鋼筋,并切割露出的定位鋼筋,并由總承包方用高壓水槍沖洗暴露的樁身上的泥土、浮漿、松動的碎石等,并經(jīng)驗收合格。
2. 水泥基滲透結(jié)晶型防水材料涂刷樁頂表面、暴露的樁身及周圈250mm范圍,涂刷參考用量1.2kg/㎡,成膜厚度約1.0mm。
3. 在樁頭部位收口卷材采用橡膠瀝青防水涂料涂抹。
[注意事項]:
1. 樁頭防水處理的關鍵是樁頭的清理工序,采用高壓水槍沖洗樁頂面混凝土能夠有效清除混凝土的浮灰泥皮。同時,涂料采用硬毛刷搓揉涂刷。見下圖:

▌二、地下室側(cè)墻防水做法
1. 地下室底板防水交接處預留做法

2. 地下室側(cè)墻抗?jié)B增強處理方法

3. 側(cè)壁底板防水接頭做法

4. 地下室側(cè)墻地面收口做法

5. 穿墻管件防水處理

官方微信